محتوى فارغ!
يسلط الضوء
الموديل: MPS14-254 / 3 ، MPS14-254 / 5
1.مراقبة Prism Sوآخرون
2.Prism الفتحة: 25.40 ملم
3.Prism الدقة: ≦ 3 "، ≦ 5 "
4ثابت المنشور: -17.5 ملم
5. جميع المعادن المطلية بالنحاس والمياه
6نطاق القياس: يصل إلى 800 متر
| توافر الحالة: | |
|---|---|
| الكمية: | |
MPS14-254
Geomaster
9015900090
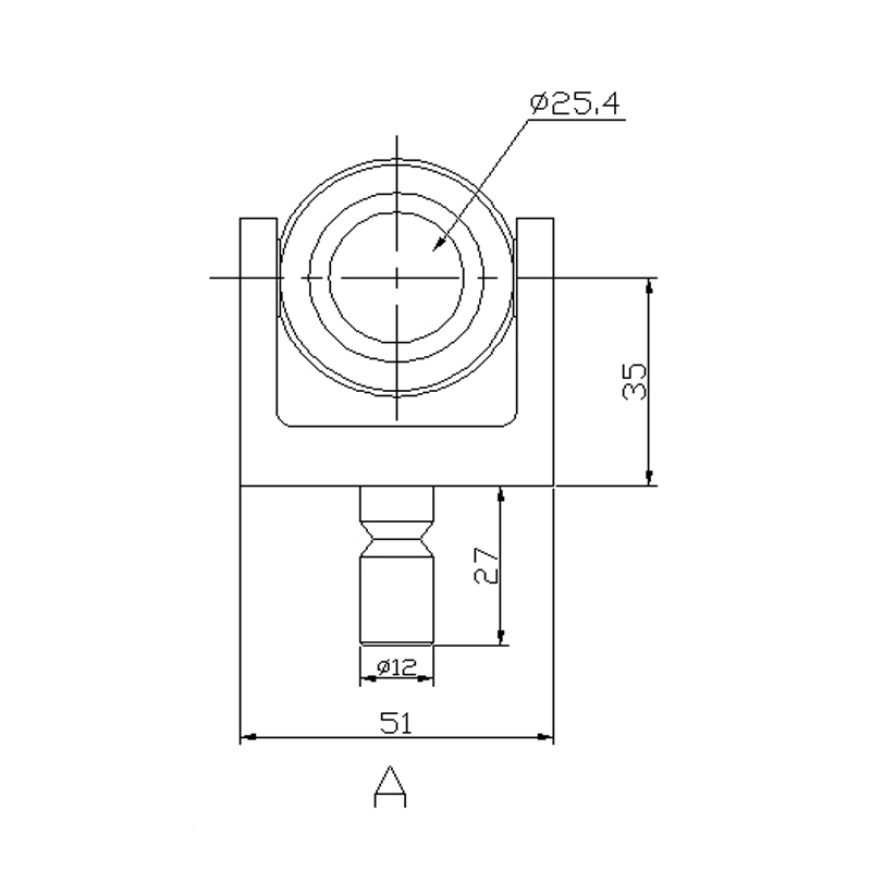
نموذج MPS14-254 منشور الكاتيونات المحدد:
/ 3 ، MPS14-254 / 5.
1دائري: صغير -254
1) فتحة المنشور: 25.40 مم
2) الدقة: MPS14-254 / 3: ≦ 3 "؛ MPS14-254 / 5: ≦ 5 "
3) ثابت المنشور: -17.5 مم
4) مغلف بطبقة خارجية مقاومة للماء
5) نطاق القياس: حتى 800 متر (في حالة الطقس العادي)
6) ارتفاع المركز: 63 مم (كما هو موضح في الرسم)
7) حامل نير معدني AK-254 : أسود مؤكسد ، مائل وتدوير 8
) مهايئ حامل نحاسي (مسمار): 27 مم (ارتفاع) × 12 مم (OD)
9) NW: 132 جم (باستثناء قاعدة التركيب) قاعدة
2تركيب معدنية: MB-254
1) المواد: مصنوعة من الألومنيوم ، مطلي بالألمنيوم
2) فتحات التثبيت: 2 × 6 مم (ضياء) ؛شفة خارجية: 60 مم (ديا) ؛شفة داخلية: 30 مم (ضياء) ؛الفتحة المركزية: 10 مم (ديا)
3) NW: 93 جرام
الميزات
النموذج: MPS14-254 / 3 ، MPS14-254 / 5
موشور 1. صغير مُحكم الغلق بإحكام في علبة معدنية ، sمقاوم للماء ومقاوم للماء ، مثبت على
حامل معدني ويتم إدخاله في قاعدة معدنية مناسبة في معظم الظروف المعاكسة
2. دقة مختلفة (3 " / 5 " ) لخيار تلبية مهام المسح والمراقبة المختلفة.
3معالجة سطح المنشور اختياري: مطلي بالنحاس أو مطلي بالفضة
4. مثالي للمدى القصير المراقبة والمسح في الصعبة المواقع مثل b ridge sوالأنفاق وطريق السكك الحديدية تتوفر مترو الأنفاق وبناء وما إلى ذلك .
5خدمة التخصيص
ملاحظة: أي تحديث سيكون عرضة للتغيير دون إشعار مسبق.
معدات مسح الأسماء ذات الصلة
، أداة المسح ، ملحقات المسح ، منشور المسح ، منشور 360 درجة ، منشور 90 درجة ، موشور عين القطط ، منشور L-bar ، منشور صغير ، مجموعة موشور صغير ، نظام موشور صغير ، موشور صغير للمراقبة ، موشور مراقبة ، عاكس المنشور ، محطة المنشور ، المنشور العاكس ، منشور مراقبة الطريق ، منشور الطريق ، مربط الطريق ، المنشور الآلي ، المنشور الآلي ، محطة المنشور الروبوتية ، المنشور الدوار ، Stakeout
Mini-Prism ، نظام Traverse Prism ، نظام Traverse Prism ، منشور نفق ، طائرة بدون طيار المنشور ، المنشور بدون طيار ، منشور نظام تحديد المواقع العالمي (GPS) ، منشور الليزر ، منشور الماسح الضوئي ، المنشور
ثلاثي الأبعاد ، المنشور المستهدف ، الزجاج البصري ، المنشور البصري ، المربع البصري ، المنشور الوامض LED ، المنشور الوامض ، المنشور الوامض ، منشور Geomax ، منشور
لايكا ، منشور نيكون ، منشور بنتاكس ، منشور Sokkia ، Topcon Prism ، منشور Trimble ، منشور ,نفق Geomaster Prism ، منشور البناء ، منشور
Subway ، منشور U -bar ، منشور U-bar صغير ، منشور مراقبة U-bar ، منشور مزدوج ، منشور مزدوج الجوانب ، منشور صغير 45 درجة ، GLS Pole ، GMP Prism ، Road Prism ، Circular Road Prism ، Square Road Prism ، Mini Prism Pack ، Ball Prism ، Ball Mini Prisم
نموذج MPS14-254 منشور الكاتيونات المحدد:
/ 3 ، MPS14-254 / 5.
1دائري: صغير -254
1) فتحة المنشور: 25.40 مم
2) الدقة: MPS14-254 / 3: ≦ 3 "؛ MPS14-254 / 5: ≦ 5 "
3) ثابت المنشور: -17.5 مم
4) مغلف بطبقة خارجية مقاومة للماء
5) نطاق القياس: حتى 800 متر (في حالة الطقس العادي)
6) ارتفاع المركز: 63 مم (كما هو موضح في الرسم)
7) حامل نير معدني AK-254 : أسود مؤكسد ، مائل وتدوير 8
) مهايئ حامل نحاسي (مسمار): 27 مم (ارتفاع) × 12 مم (OD)
9) NW: 132 جم (باستثناء قاعدة التركيب) قاعدة
2تركيب معدنية: MB-254
1) المواد: مصنوعة من الألومنيوم ، مطلي بالألمنيوم
2) فتحات التثبيت: 2 × 6 مم (ضياء) ؛شفة خارجية: 60 مم (ديا) ؛شفة داخلية: 30 مم (ضياء) ؛الفتحة المركزية: 10 مم (ديا)
3) NW: 93 جرام
الميزات
النموذج: MPS14-254 / 3 ، MPS14-254 / 5
موشور 1. صغير مُحكم الغلق بإحكام في علبة معدنية ، sمقاوم للماء ومقاوم للماء ، مثبت على
حامل معدني ويتم إدخاله في قاعدة معدنية مناسبة في معظم الظروف المعاكسة
2. دقة مختلفة (3 " / 5 " ) لخيار تلبية مهام المسح والمراقبة المختلفة.
3معالجة سطح المنشور اختياري: مطلي بالنحاس أو مطلي بالفضة
4. مثالي للمدى القصير المراقبة والمسح في الصعبة المواقع مثل b ridge sوالأنفاق وطريق السكك الحديدية تتوفر مترو الأنفاق وبناء وما إلى ذلك .
5خدمة التخصيص
ملاحظة: أي تحديث سيكون عرضة للتغيير دون إشعار مسبق.
معدات مسح الأسماء ذات الصلة
، أداة المسح ، ملحقات المسح ، منشور المسح ، منشور 360 درجة ، منشور 90 درجة ، موشور عين القطط ، منشور L-bar ، منشور صغير ، مجموعة موشور صغير ، نظام موشور صغير ، موشور صغير للمراقبة ، موشور مراقبة ، عاكس المنشور ، محطة المنشور ، المنشور العاكس ، منشور مراقبة الطريق ، منشور الطريق ، مربط الطريق ، المنشور الآلي ، المنشور الآلي ، محطة المنشور الروبوتية ، المنشور الدوار ، Stakeout
Mini-Prism ، نظام Traverse Prism ، نظام Traverse Prism ، منشور نفق ، طائرة بدون طيار المنشور ، المنشور بدون طيار ، منشور نظام تحديد المواقع العالمي (GPS) ، منشور الليزر ، منشور الماسح الضوئي ، المنشور
ثلاثي الأبعاد ، المنشور المستهدف ، الزجاج البصري ، المنشور البصري ، المربع البصري ، المنشور الوامض LED ، المنشور الوامض ، المنشور الوامض ، منشور Geomax ، منشور
لايكا ، منشور نيكون ، منشور بنتاكس ، منشور Sokkia ، Topcon Prism ، منشور Trimble ، منشور ,نفق Geomaster Prism ، منشور البناء ، منشور
Subway ، منشور U -bar ، منشور U-bar صغير ، منشور مراقبة U-bar ، منشور مزدوج ، منشور مزدوج الجوانب ، منشور صغير 45 درجة ، GLS Pole ، GMP Prism ، Road Prism ، Circular Road Prism ، Square Road Prism ، Mini Prism Pack ، Ball Prism ، Ball Mini Prisم
تفاصيل التعبئة
النموذج: MPS14-254 / 3 ، MPS14-254 / 5
1.NW: 226g ( مجموعة الفتحات w )
2.الكمية / CTN : 50pcs
3. GW / CTN : 13 كجم
4. الحجم / الشركة التونسية للملاحة : 0.07cbm (46 سم × 43 سم × 36 سم)
تفاصيل التعبئة
النموذج: MPS14-254 / 3 ، MPS14-254 / 5
1.NW: 226g ( مجموعة الفتحات w )
2.الكمية / CTN : 50pcs
3. GW / CTN : 13 كجم
4. الحجم / الشركة التونسية للملاحة : 0.07cbm (46 سم × 43 سم × 36 سم)
Geomaster (كندا) Int'l Supply,Inc
(جزء من مجموعة Geomaster) مونتريال، كيبيك، كندا
بريد إلكتروني:
Tianjin Geochoix Equip Sales Ltd (جزء من Geomaster Group). جميع الحقوق محفوظة
عنوان برنامج المقارنات الدولية:رقم برنامج المقارنات الدولية 17003947号-1 رقم برنامج المقارنات الدولية 14007425号-1